一、工序設計的主要任務:
確定工序的具體加工內容、切削用量、工藝裝備、定位安裝方式及刀具運動軌跡,為編制程序作好準備.
二、確定加工路線的原則:
加工路線的設定是很重要的環節,加工路線是刀具在切削加工過程中刀位點相對于工件的運動軌跡,它不僅包括加工工序的內容,也反映加工順序的安排,因而加工路線是編寫加工程序的重要依據。品質新空間
1)加工路線應保證被加工工件的精度和表面粗糙度。
2)設計加工路線要減少空行程時間,提高加工效率。
3)簡化數值計算和減少程序段,減少編程工作量。
4)根據工件的形狀、剛度、加工余量、機床系統的剛度等情況,確定循環加工次數。
5)合理設計刀具的切入與切出的方向。采用單向趨近定位方法,避免傳動系統反向間隙而產生的定位誤差。品質新空間
6)合理選用銑削加工中的順銑或逆銑方式。一般來說,數控機床采用滾珠絲杠,運動間隙很小,因此順銑優點多于逆銑。
三、數控機床加工路線:
1)數控車床加工路線:
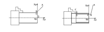
數控車床車削端面加工路線如圖2.4所示的A-B-Op-D,其中A為換刀點,B為切入點,C--0p為刀具切削軌跡,0p為切出點,D為退刀點。
                
圖2.4數控車床車削端面加工路線 圖2.5數控車床車削外圓加工路線
數控車床車削外圓的加工路線如圖2.5所示A-B-C-D-E-F,其中A為換刀點,B為切入點,C--D--E為刀具切削軌跡,E為切出點,F為退刀點。品質新空間
2)數控銑床加工路線:立銑刀側刃銑削平面零件外輪廓時,應沿著外輪廓曲線的切向延長線切入或切出,避免切痕,保證零件曲面的平滑過渡。
    
圖2.6外輪廓銑削的加工路線 圖2.7內輪廓銑削的加工路線
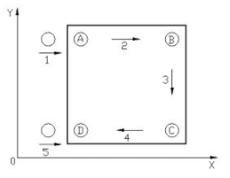
當銑削封閉內輪廓表面時,刀具也要沿輪廓線的切線方向進刀與退刀,如圖2.7所示,A-B-C為刀具切向切入輪廓軌跡路線,C-D-C為刀具切削工件封閉內輪廓軌跡,C-E-A為刀具切向切出輪廓軌跡路線。
3)孔加工定位路線:要注意各孔定位方向的一致性,即采用單向趨近定位方法,這樣的定位方法避免了因傳動系統反向間隙而產生的定位誤差,提高孔的位置精度。如圖2.8所示

圖2.8孔加工定位路線
四、工件的安裝與夾具的選擇
1)工件的安裝
①力求符合設計基準、工藝基準、安裝基準和工件坐標系的基準統一原則。
②減少裝夾次數,盡可能做到在一次裝夾后能加工全部待加工表面。
③盡可能采用專用夾具,減少占機裝夾與調整的時間。
2) 夾具的選擇
①小批量加工零件,盡量采用組合夾具,可調式夾具以及其它通用夾具。
②成批生產考慮采用專用夾具,力求裝卸方便。
③夾具的定位及夾緊機構元件不能影響刀具的走刀運動。
④裝卸零件要方便可靠,成批生產可采用氣動夾具、液壓夾具和多工位夾具。
五、切削用量的選擇
切削用量包括切削速度Vc(或主軸轉速n)、切削深度ap和進給量f,選用原則與普通機床相似:粗加工時,以提高生產率為主,可選用較大的切削量;半精加工和精加工時,選用較小的切削量,以保證工件的加工質量。品質新空間
1)數控車床切削用量
①切削深度ap:在工藝系統剛性和機床功率允許的條件下,可選取較大的切削深度,以減少進給次數。當工件的精度要求較高時,則應考慮留有精加工余量,一般為0.1~0.5mm。
切削深度ap計算公式:ap=(dw- dm)/2
式中dw—待加工表面外圓直徑,單位: mm
dm—已完成加工后的表面外圓直徑,單位mm
②切削速度Vc:切削速度由工件材料、刀具材料及加工性質等因素所確定,可查表。
切削速度計算公式: Vc=Πdn/1000 (m/min)
式中: d—工件或刀尖的回轉直徑,單位: mm
n—工件或刀具的轉速,單位: r/min
③進給速度:進給速度是指單位時間內,刀具沿進給方向移動的距離,單位為mm/min,也可表示為主軸旋轉一周刀具的進給量,單位為mm/r。
進給速度Vf的計算:
Vf= n f
式中:
n—車床主軸的轉速,單位: r/min 。
f—刀具的進給量,單位: mm/r
2) 數控銑床切削用量選擇
數控銑床的切削用量包括切削速度vc、進給速度vf、背吃刀量ap和側吃刀量ac。切削用量的選擇方法是考慮刀具的耐用度,先選取背吃刀量或側吃刀量,其次確定進給速度,最后確定切削速度。
①背吃刀量ap(端銑)或側吃刀量ac(圓周銑)
如圖2.9所示,背吃刀量ap為平行于銑刀軸線測量的切削層尺寸,單位為mm;
側吃刀量ac為垂直于銑刀軸線測量的切削層尺寸,單位為mm,
端銑背吃刀量和圓周銑側吃刀量的選取主要由加工余量和對表面質量要求決定。

圖2.9銑刀銑削用量
②進給速度vf
進給速度指單位時間內工件與銑刀沿進給方向的相對位移,單位為mm/min。它與銑刀轉速n、銑刀齒數Z及每齒進給量fz(單位為mm/z)有關。
進給速度的計算公式:vf= fzZ n
式中每齒進給量fz的選用主要取決于工件材料和刀具材料的機械性能、工件表面粗糙度等因素。當工件材料的強度和硬度高,工件表面粗糙度的要求高,工件剛性差或刀具強度低,fz值取小值。硬質合金銑刀的每齒進給量高于同類高速鋼銑刀的選用值,可查表選用。
③切削速度
銑削的切削速度與刀具耐用度T、每齒進給量fz、背吃刀量ap、側吃刀量ac
以及銑刀齒數Z成反比,與銑刀直徑d成正比。其原因是fz、ap、
ac、Z增大時,使同時工作齒數增多,刀刃負荷和切削熱增加,加快刀具磨損,因此刀具耐用度限制了切削速度的提高。如果加大銑刀直徑則可以改善散熱條件,相應提高切削速度。
六、對刀點和換刀點的選擇
1)對刀點是刀具相對工件運動的起點,程序就是從這一點開始的,故又叫程序原點或程序起點(起刀點)。
其選擇原則是:
①應盡量選在零件的設計基準或工藝基準上,如以孔定位的零件,應以孔中心作為對刀點。
②對刀點應選在對刀方便的位置,便于觀察和檢測。
③應便于坐標值的計算。如絕對坐標系的原點或已知坐標值的點上。
④使加工程序中刀具引入(或返回)路線短并便于換刀。
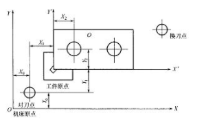
2)對刀點可選在零件上,也可選在夾具或機床上,若選在夾具或機床上,則必須與工件的定位基準有一定的尺寸聯系。如圖2.10所示。

圖2.10對刀點和換刀點的確定
3)對刀時,應使"刀位點"與" 對刀點" 重合,對刀的準確程度直接影響加工精度,不同刀具的刀位點是不同的。如圖2.11所示。

圖2.11不同刀具的刀位點
4)對數控車床、鏜銑床、加工中心等多刀加工數控機床,因加工過程中要進行換刀,故編程時應考慮不同工序間的換刀位置,設置換刀點。為避免換刀時刀具與工件及夾具發生干涉,換刀點應設在工件外合適的位置。如上圖2.10所示。