電纜布線是電儀布線的一部分,讓我們來看看最差的布線和最完美的布線究竟有多大差距?
印度電工復雜的接線,開了掛的工作……


到了德國人那里呢 ,美得令人窒息……


我們如何做到安全,又賞心悅目呢?
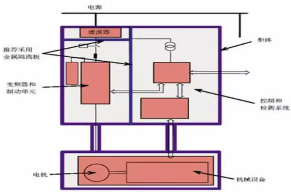
這里需要相間隔板

建議的母線系統

壓入螺紋連接的線要壓這樣的端子,注意是有預絕緣的

或是壓入螺紋連接的線要壓這樣的端子,注意,是有預絕緣的

接入電機的線要壓這樣的端子,注意,是有預絕緣的,實在沒有怎么辦,裝熱縮管,注意要分顏色哦。

熱縮管,不能用打火機,只能用這個熱風槍

進分線盒,進電機,進電磁閥,進儀表的電纜先要裝防水接頭

門上的電線,要裝行線槽
行線槽要正品的,那種再生料的就別裝上去,很容易斷

過門的位置做好最好是用軟管進行保護

建議的接線端子,免得大家半天接不好一根線。

穿窗出來的管道,用這樣的卡箍,現在檢修很困難

元器件安裝,要注意到……

前提:所有元器件應按制造廠規定的安裝條件進行安裝。
適用條件:
需要的滅弧距離;
拆卸滅弧柵需要的空間等,對于手動開關的安裝,必須保證開關的電弧對操作者不產生危險。
組裝前首先看明圖紙及技術要求。
檢查產品型號、元器件型號、規格、數量等與圖紙是否相符。
檢查元器件有無損壞。
按圖安裝 (如果有圖)。
元器件組裝順序應從板前視,由左至右,由上至下,原件安裝必須橫平豎直。
同一型號產品應保證組裝一致性。
面板、門板上的元件中心線的高度應符合規定
元件名稱 安裝高度(m);
指示儀表、指示燈 0.6-2.0;
電能計量儀表 0.6-1.8;
控制開關、按鈕 0.6-2.0;
緊急操作件 0.8-1.6;
組裝產品應符合以下條件:
操作方便。元器件在操作時,不應受到空間的防礙,不應有觸及帶電體的可能;
維修容易。能夠較方便地更換元器件及維修連線;
各種電氣元件和裝置的電氣間隙、爬電距離應符合4.4 條的規定。保證一、二次線的安裝距離;
所有電器元件及附件,均應固定安裝在支架或底板上,不得懸吊在電器及連線 上。
接線面每個元件的附近有標牌,標注應與圖紙相符。除元件本身附有供填寫的 標志牌外,標志牌不得固定在元件本體上。(a圖)

圖a 端子的標識

圖 b 雙重的標識
標號應完整、清晰、牢固。標號粘貼位置應明確、醒目(b圖)
安裝于面板、門板上的元件、其標號應粘貼于面板及門板背面元件下方,如下方無位置時可貼于左方,但粘貼位置盡可能一致,c圖 門上的器件

圖c 門上的器件
保護接地連續性保護接地連續性利用有效接線來保證。柜內任意兩個金屬部件通過螺釘連接時如有絕緣層均應采用相應規格的接地墊圈并注意將墊圈齒面接觸零部件表面(圖紅圈處),或者破壞絕緣層。

門上的接地處(紅圈處)要加“抓墊”,防止因為油漆的問題而接觸不好,而且連接線盡量短。


安裝因振動易損壞的元件時,應在元件和安裝板之間加裝橡膠墊減震。
對于有操作手柄的元件應將其調整到位,不得有卡阻現象, 門的打開不得影響手柄。(主開關及其旋轉手柄的安裝必須采用圖中的安裝方式,且防護
等級不能因為門板的開孔而降低)。
將母線、元件上預留給顧客接線用得螺栓擰緊。
一次線相間必須用黃綠紅或者R,S,T線號進行區分,不允許只用一種顏色。
配電柜內必須預留30%的安裝空間。

二次回路布線,是啥樣……
基本要求:按圖施工、連線正確。
二次線的連接(包括螺栓連接、插接、焊接等)均應牢固可靠,線束應橫平 豎直,配置堅牢,層次分明,整齊美觀。同一合同的相同元件走線方式應一致。

二次線截面積要求:
單股導線 不小于1.5mm2
多股導線 不小于1.0mm2
弱電回路 不小于0.5mm2
電流回路 不小于2.5mm2
保護接地線 不小于2.5mm2
所有連接導線中間不應有接頭。
每個電器元件的接點最多允許接2 根線。
每個端子的接線點一般不宜接二根導線,特殊情況時如果必須接兩根導線,則連接必須可靠。
二次線應遠離飛弧元件,并不得防礙電器的操作。
電流表與分流器的連線之間不得經過端子,其線長不得超過3 米。
電流表與電流互感器之間的連線必須經過試驗端子。
二次線不得從母線相間穿過。
二次線線號必須清晰,線號穿法應為從左向右,從下往上。
二次接線必須按圖施工。

再說說,一次回路布線
一次線走線必須橫平豎直。
一次線(除加熱線以外)均采用BVR型號端頭必須壓接接線端子且線徑大于6平米的電纜必須燙錫。
進線開關相間必須用隔板隔開。
配電柜內必須有明確,醒目的相間標識,包括:A,B,C,N,PE.
配電柜內必須要有單獨的零排,地排。
配電柜內所用到的所有銅排必須進行搪錫處理,且必須有相應的相間標識。
配電柜內的所有一次線不允許共同用一個線鼻子,必須分開壓接,且每個接線端子和銅排接線孔上,原則上只允許接一根線,特殊情況下可以接兩根線,且不能超過兩根。
一次線在線槽里必須行走規范,不允許有亂拉亂搭現象,每根線都應該留一定的余量。
電器原件裝配必須安裝裝配圖進行,不允許有亂裝現象。
一次配線應盡量選用矩形銅母線,當用矩形母線難以加工時或電流小于等于100A 可選用絕緣導線。 接地銅母排的截面面積=電柜進線母排單相截面面積×1/2。
接地母排與接地端子:

下圖為錯誤接法

銅母線載流量選擇需查詢有關文檔,聚氯乙烯絕緣導線在線槽中,或導線成束狀走行時,或防護等級較高時應適當考慮裕量。
下圖為正確接法

以下為錯誤接法
接線不規則,必須把進入線槽的大電纜外層剝開。把所有導線壓進線槽

母線應避開飛弧區域。
當交流主電路穿越形成閉合磁路的金屬框架時,三相母線應在同一框孔中穿過。 接線不規范,必須把進入線槽的大電纜外層都剝開,把所有導線壓進線槽。
電纜與柜體金屬有摩擦時,需加橡膠墊圈以保護電纜。
以下為正確接法

以下為錯誤接法

電纜連接在面板和門板上時,需要加塑料管和安裝線槽。 柜體出線部分為防止鋒利的邊緣割傷絕緣層,必須加塑料護套。

以下為錯誤接法
柜體內任意兩個金屬零部件通過螺釘連接時如有絕緣層均應采用相應規格的接地墊圈, 并注意將墊圈齒面接觸零件表面,以保證保護電路的連續性。
當需要外部接線時,其接線端子及元件接點距結構底部距離不得小于200mm,且應為 連接電纜提供必要的空間
提高柜體屏蔽功能,如需要外部接線,出線時,需加電磁屏蔽襯墊,柜體孔縫要求為求縫長或孔徑小于λ / (10~100)。如果需要在電柜內開通風窗口,交錯排列的孔或高頻率分布的網格比狹縫好,因為狹縫會在電柜中傳導高頻信號。柜體與柜門之間的走線,必須加護套,否則容易損壞絕緣層柜門沒有接地,柜門走線必須加線槽.

西看看,電柜布局……
確保傳動柜中的所有設備接地良好使用短和粗的接地線連接到公共接地點或接地母排上。連接到變頻器的任何控制設備(比如一臺PLC)要與其共地,同樣也要使用短和粗的導線接地。最好采用扁平導體(例如金屬網),因其在高頻時阻抗較低。

為電柜低壓單元,繼電器,接觸器使用熔斷器以保護。當對主電源電網的情況不了解時,建議最好加進線電抗器。
確保傳導柜中的接觸器有滅弧功能,交流接觸器采用R - C 抑制器,直流接觸器采用“飛輪”二極管,裝入繞組中。壓敏電阻抑制器也是很有效的。下圖便為接觸器上面的反向二極管。

信號線最好只從一側進入電柜,信號電纜的屏蔽層雙端接地。如果非必要,避免使用長電纜。
控制電纜最好使用屏蔽電纜。模擬信號的傳輸線應使用雙屏蔽的雙絞線。低壓數字信號線最好使用雙屏蔽的雙絞線,也可以使用單屏蔽的雙絞線。模擬信號和數字信號的傳輸電纜應該分別屏蔽和走線。
不要將24VDC 和115/230VAC 信號共用同一條電纜槽!在屏蔽電纜進入電柜的位置,其外部屏蔽部分與電柜嵌板都要接到一個大的金屬臺面上。
電機電纜應獨立于其它電纜走線,其最小距離為500mm。同時應避免電機電纜與其它電纜長距離平行走線。如果控制電纜和電源電纜交叉,應盡可能使它們按90度角交叉。同時必須用合適的夾子將電機電纜和控制電纜的屏蔽層固定到安裝板上。
為有效的抑制電磁波的輻射和傳導,變頻器的電機電纜必須采用屏蔽電纜,屏蔽層的電導必須至少為每相導線芯的電導的1/10。
中央接地排組和PE 導電排必須接到橫梁上 (金屬到金屬聯接) 。它們必須在電纜壓蓋處正對的附近位置。中央接地排額外還要通過另外的電纜與保護電路(接地電極) 連接。屏蔽總線用于確保各個電纜的屏蔽連接可靠,它通過一個橫梁實現大面積的金屬到金屬聯接。
 不能將裝有顯示器的操作面板安裝在靠近電纜和帶有線圈的設備旁邊,例如電源電纜,接觸器,繼電器,螺線管閥,變壓器等等,因為它們可以產生很強的磁場。
不能將裝有顯示器的操作面板安裝在靠近電纜和帶有線圈的設備旁邊,例如電源電纜,接觸器,繼電器,螺線管閥,變壓器等等,因為它們可以產生很強的磁場。
功率部件 (變壓器,驅動部件,負載功率電源等等) 與控制部件 (繼電器控制部分,可編程控制器) 必須要分開安裝。
但是并不適用于功率部件與控制部件設計為一體的產品,變頻器和相關的濾波器的金屬外殼,都應該用低電阻與電柜連接,以減少高頻瞬間電流的沖擊。
理想的情況是將模塊安裝到一個導電良好,黑色的金屬板上,并將金屬板安裝到一個大的金屬臺面上。噴過漆的電柜面板,DIN 導軌或其他只有小的支撐表面的設備都不能滿足這一要求。
下圖便為一個電柜的基本布局:

設計控制柜體時要注意EMC的區域原則,把不同的設備規劃在不同的區域中。每個區域對噪聲的發射和抗擾度有不同的要求。
區域在空間上最好用金屬殼或在柜體內用接地隔板隔離。并且考慮發熱量,進風風扇與出風風扇的安裝,一般發熱量大的設備安裝在靠近出風口處。進風風扇一般安裝在下部,出風風扇安裝在柜體的上部。

根據電柜內設備的防護等級,需要考慮電柜防塵以及防潮功能,一般使用的設備主要為: 空調,風扇,熱交換器,抗冷凝加熱器。同時根據柜體的大小合適的選擇不同功率的設備。
關于風扇的選擇,主要考慮柜內正常工作溫度,柜外最高環境溫度,求得一個溫差,風扇的換氣速率,估算出柜內空氣容量。
已知三個數據:溫差,換氣速率,空氣容量后,求得柜內空氣更換一次的時間,然后通過溫差計算求得,實際需要的換氣速率。
從而選擇實際需要的風扇。因為一般夜間,溫度下降,故會產生冷凝水,依附在柜內電路板上,所以 需要選擇相應的抗冷凝加熱器以保持柜內溫度。

電控柜內接線端子排的安裝

電控柜內接線端子排的安裝,應該合下列要求:
端子排無損壞,固定牢固,絕緣良好。
端子應有序號,端子排應便于更換且接線方便。
回路電壓超過400V的端子板應有足夠的絕緣并涂以紅色標志。
強,弱電端子宜分開布置;應有明顯標志并設空端子隔開或設加強絕 緣的隔板。
正,負電源之間以及經常帶電的正電源與合閘或跳閘回路之間,宜以一個空端子隔開。
電流回路應經過試驗端子,其它需斷開的回路宜經特殊端子或試驗端子。試驗端子應接觸良好。
潮濕環境宜采用防潮端子。
接線端子應與導線截面匹配,不應使用小端子配大截線。
連接件均應采用銅質制品,絕緣件應采用自熄性阻燃材料。
各電器,端子牌等應有盡標明編號,名稱,用途及操作位置,其標明的字跡應清晰,工整,且不易脫色。
附注:
1、銅排沖孔應注意去毛刺,尤其是方孔時。
2、絕緣支撐厚度應不大于10mm,要注意檢查。
3、裝元器件之前要看看說明書,否則裝完后不易查出。
4、不同電壓等級的端子要分開。
5、門內線槽不能用雙面膠粘貼,可以502,注意別留縫隙。
6、用于外部接線端子的線槽應加大。
7、線槽不要與主回路輸出端太近。
8、成柜要做出廠檢驗,并附有調試記錄。
9、導線經過隔板時要加護套。
10、導線中間不要有接頭。
11、電纜支架要合理。
12、考慮安裝維護的安全。
13、一次線出端子。
14、強電,弱點部分要隔離安裝。
15、配電柜防護等級不得低于IP56。
16、噴涂顏色
安裝板 鍍鋅
門內側 涂裝色 MUNSELL 5Y8/1.5
門外側 涂裝色 MUNSELL 5Y8/1.5
17、柜內所以接線鼻必須采用預絕緣銅線鼻。